Home Navigationspfeil Selectrix Navigationspfeil Funktionsdecoder 2

Funktionsdecoder 2

Bestückungsplan Layout Download Foto Stückliste

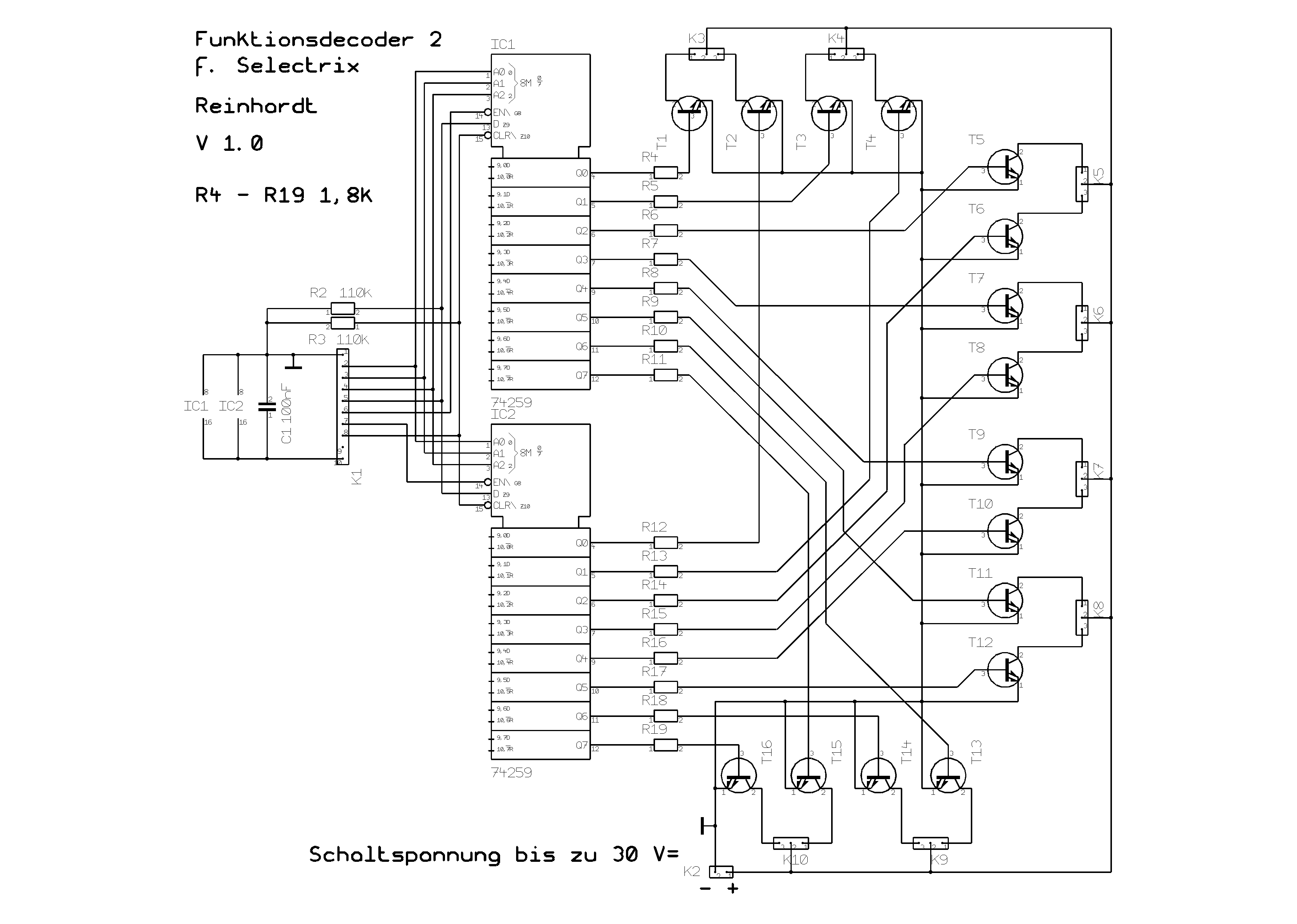
Der FD 2 ist im Gegensatz zum FD 1 mit Transistoren bestückt.
Der Vorteil dieser Ausführung liegt darin, dass man, wenn mal ein Ausgang überlasten wurde, nicht gleich ein ganzes IC weg werfen muss.
In Verbindung mit dem Programm ab Version 6 können ja die 16 Ausgänge einzeln geschaltet werden und so kann die Leistung jedes Ausgangs durch die Wahl des passenden Transistors selbst bestimmt werden.
Damit auch Transistoren mit unterschiedlicher Pinbelegung ohne Schwierigkeiten benutzt werden können, habe ich Lötaugen für Transistoren der Gehäuseform TO92 und TO126 in der Platine vorgesehen.
Auf der Abbildung der Platine kann man erkennen, das der Prototyp mit 2 BD677, 3 BC 547 und
11 BC 107 bestückt ist.
Bei den beiden IC´s habe ich beide Varianten getestet, sowohl die CMOS- als auch die LS-Variante verrichten klaglos ihre Arbeit.
Bei den Klemmen gibt es welche mit Rastermaß 5,00 mm und 5,08 mm, bei mir haben beide gepasst.
Beim Anschluss von induktiven Lasten muss der Ausgang durch Schutzdioden geschützt werden.
Der Baustein benötigt das Programm ab Version 6.

Schaltplan, Anklicken zum Vergrößern
Top
Bestückungsplan
Bestückungsplan, Anklicken zum Vergrößern
Top
Platinenlayout

Die Maße zum skalieren des Ausdrucks: Breite = 84,7 mm, Höhe = 65,1 mm.

Platinenlayout, Anklicken zum Vergrößern
und hier alle drei plus Target-File als ZIP. (164 kb)
Foto der Platine

Empfängerprogrammierung

  1. an der Zentrale auf STOP schalten
  2. Taste am Empfänger drücken, LED leuchtet
  3. der Empfänger schreibt nun seine gespeicherten Einstellungen in die Zentrale
  4. Funktionen der Adressen:
    1. Adresse 0: die Decoderadresse das A-Kanals
    2. Adresse 1: die Ausgangsart, hierbei gilt :
      (/) = Dauer
      (-) = Impuls
      bei 16 Ausgängen ohne Funktion
    3. Adresse 2: die Decoderadresse des B-Kanals
    4. Adresse 3: die Freigabeverzögerung / Impulsdauer dabei sind Zeiten von 0 bis ca. 20 Sekunden in Schritten von ca. 0,08 Sek. möglich
    5. Adresse 5: die Funktion, hierbei gilt:
      (/-------) = 8 Ausgänge
      (//------) = 16 Ausgänge
  5. nun können die einzelnen Änderungen vorgenommen werden
  6. nach einem erneuten Drücken der Taste am Empfänger, oder dem Einschalten der Zentrale erlicht die LED und der Empfänger speichert seine Einstellungen.
Stückliste

mit den Artikelnummern der Fa. Reichelt aus dem Katalog 01/2003

Bauteilnr.

Anzahl

Artikel

Artikelnr.

Preis

Gesamt

C1

1

100 nF

Kerko 100n

0,07 Euro

0,07 Euro

IC1 , IC2

2

74259

74HC 259
or.
LS259

0,26 Euro

0,52 Euro

T1 - T16

16

Transistor

BC547

0,05 Euro

0,80 Euro

K1

1

Buchsenleiste
or.
(1/2 IC-Sockel)

Buchsenl. G10
or.
GS 20

0,65 Euro

0,05 Euro



0,05 Euro

K2

1

Klemme

AKL 055-2

0,14 Euro

0,14 Euro

K3 - K10

8

Klemme

AKL 055-3

0,20 Euro

1,60 Euro

R2 , R3

2

110k

1/4W 110k

0,033 Euro

0,07 Euro

R4 - R19

16

1,8k

1/4W 1,8k

0,033 Euro

0,53 Euro

Summe Funktionsdecoder 2

3,77 Euro

© CMBasic.de