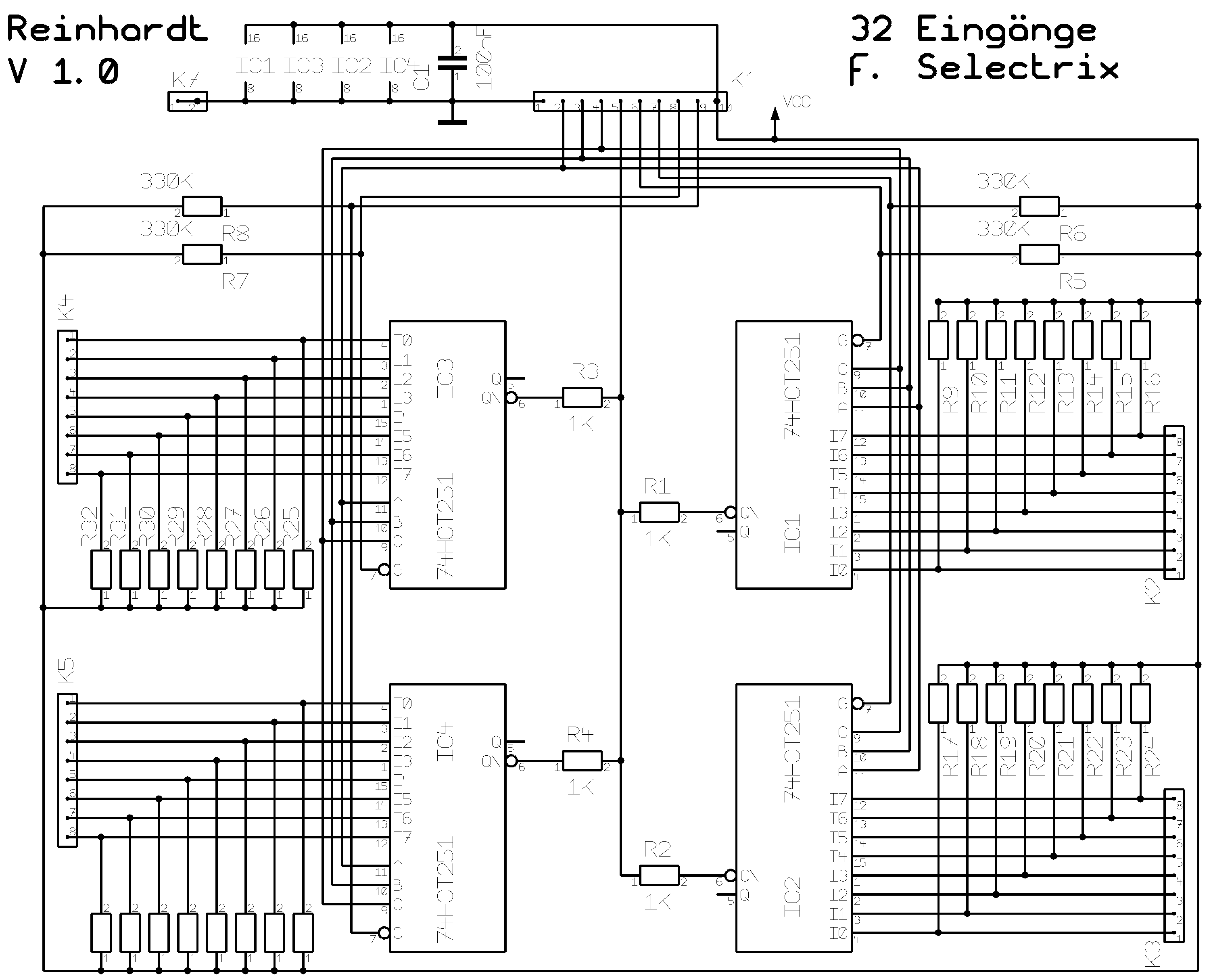
32 Eingänge
Dieses Modul mit 32 Eingängen ist hauptsächlich gedacht zum Bau von
Gleisstellpulten.
Die Eingänge sind direkt, also werden sie ohne Verzögerung an die Zentrale gesendet.
Bei den beiden IC´s habe ich beide Varianten getestet, sowohl die
CMOS- als auch die LS-Variante verrichten klaglos ihre Arbeit.
Bei den Klemmen gibt es welche mit Rastermaß 5,00 mm und 5,08 mm, bei mir
haben beide gepasst.
Bei den Widerständen habe ich für R1-R4 werte von 800Ohm bis 1,8k
getestet über 1,8k kann es zu falschen Signalen kommen.
Bei den Widerständen R5-R40 sollten Werte von 100k bis 330k
funktionieren.
Warum die Angabe der Widerstandsbereiche, ich denke viele haben
irgendwelche Widerstände die zu nichts nutze sind und so kann man sie mal
verarbeiten.
Der Baustein benötigt das Programm ab Version 7.


Empfängerprogrammierung
- an der Zentrale auf STOP schalten
- Taste am Empfänger drücken, LED leuchtet
- der Empfänger schreibt nun seine gespeicherten Einstellungen in die Zentrale
- Funktionen der Adressen:
- Adresse 0: die Decoderadresse das A-Kanals
- Adresse 1: die Decoderadresse das B-Kanals
- Adresse 2: die Decoderadresse das C-Kanals
- Adresse 3: die Decoderadresse das D-Kanals
- Adresse 5: die Funktion, hierbei gilt (--/-----) = Eingang
- nun können die einzelnen Änderungen vorgenommen werden
- nach einem erneuten Drücken der Taste am Empfänger, oder dem Einschalten der Zentrale erlicht die LED und der Empfänger speichert seine Einstellungen.
Stückliste
mit den Artikelnummern der Fa. Reichelt aus dem Katalog 01/2003
Bauteilnr. |
Anzahl |
Artikel |
Artikelnr. |
Preis |
Gesamt |
C1 |
1 |
100 nF |
Kerko 100n |
0,07 Euro |
0,07 Euro |
IC1 |
4 |
74251 |
74HCT 251 |
0,31 Euro |
|
K1 |
1 |
Buchsenleiste |
Buchsenl. G10 |
0,65 Euro |
|
|
5 |
Klemme |
AKL 055-2 |
0,14 Euro |
0,70 Euro |
|
8 |
Klemme |
AKL 055-3 |
0,20 Euro |
1,60 Euro |
R1 - R4 |
4 |
1,0k |
1/4W 1,0k |
0,033 Euro |
0,13 Euro |
R5 - R40 |
36 |
330k |
1/4W 330k |
0,033 Euro |
1,19 Euro |
Summe 32 Eingänge |
4,46 Euro |