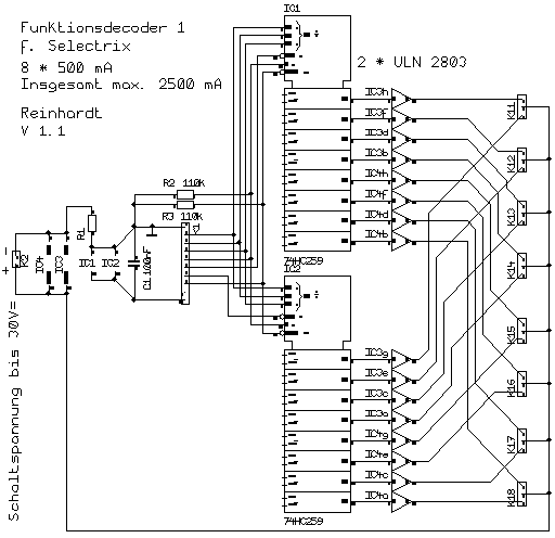
Funktionsdecoder 1
Das Platinenlayout hat sich nicht geändert, nur die
Bestückung, und um nicht soviel ätzen zu müssen hat die Platine jetzt
eine Massefläche
Der Widerstand R1 der in der Version 1.0 mit 1,3k angegeben war kann durch
eine Brücke ersetzt werden oder zur Strombegrenzung zwischen Steuer- und
Schaltteil auf ca. 33-100 Ohm geändert werden.
Ich habe 33 Ohm eingebaut.
Achtung!!!!!
Nur durch diese Änderung ist es möglich den FD1 als Decoder mit 16
einzelnen Ausgängen zu betreiben, wenn der Widerstand R1 zu groß ist
kann es zu Fehlschaltungen kommen. Dieser
FD ist nicht mit Transistoren, sondern mit dem Treiber-IC ULN 2803
bestückt und kann deshalb pro Ausgang 500 mA und insgesamt 2500 mA
schalten.
Den ULN 2803 habe ich gewählt, um ohne großen Aufwand Signale, Spulen und
Motoren bis 500 mA zuschalten, außerdem hat er schon Freilaufdioden für
induktive Lasten eingebaut.
Ich habe mit dieser Bestückung auch Minitrix-Weichenspulen (ca. 350 mA)
geschaltet, wenn man den Impuls auf 0,6 Sekunden stellt schalten, sie sauber und selbst,
wenn etwas hängt und der Antrieb dann ca. 800 mA zieht, passiert nichts.


Empfängerprogrammierung
- an der Zentrale auf STOP schalten
- Taste am Empfänger drücken, LED leuchtet
- der Empfänger schreibt nun seine gespeicherten Einstellungen in die Zentrale
- Funktionen der Adressen:
- Adresse 0: die Decoderadresse das A-Kanals
- Adresse 1: die Ausgangsart, hierbei gilt :
(/) = Dauer
(-) = Impuls
bei 16 Ausgängen ohne Funktion - Adresse 2: die Decoderadresse des B-Kanals
- Adresse 3: die Freigabeverzögerung / Impulsdauer dabei sind Zeiten von 0 bis ca. 20 Sekunden in Schritten von ca. 0,08 Sek. möglich
- Adresse 5: die Funktion, hierbei gilt:
(/-------) = 8 Ausgänge
(//------) = 16 Ausgänge
- nun können die einzelnen Änderungen vorgenommen werden
- nach einem erneuten Drücken der Taste am Empfänger, oder dem Einschalten der Zentrale erlicht die LED und der Empfänger speichert seine Einstellungen.
Stückliste
mit den Artikelnummern der Fa. Reichelt aus dem Katalog 01/2003
Bauteilnr. |
Anzahl |
Artikel |
Artikelnr. |
Preis |
Gesamt |
C1 |
1 |
100 nF |
Kerko 100n |
0,07 Euro |
0,07 Euro |
IC1 , IC2 |
2 |
74259 |
74HC 259 |
0,26 Euro |
0,52 Euro |
IC3 , IC4 |
2 |
ULN 2803 |
ULN 2803 |
0,47 Euro |
0,94 Euro |
K1 |
1 |
Buchsenleiste |
Buchsenl. G10 |
0,65 Euro |
|
K2 |
1 |
Klemme |
AKL 055-2 |
0,14 Euro |
0,14 Euro |
K11 - K18 |
8 |
Klemme |
AKL 055-3 |
0,20 Euro |
1,60 Euro |
R1 |
1 |
Brücke siehe Text |
|||
R2 , R3 |
2 |
110k |
1/4W 110k |
0,033 Euro |
0,07 Euro |
Summe Funktionsdecoder 1 |
3,39 Euro |